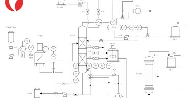
Piping and instrumentation diagrams (P&ID) are a schematic representation of the piping process with mechanical details of equipment, instruments, piping, valves, and control loops, all necessary to ensure safe operation of the facility. In other words, they are plans that, in addition to showing the sequence of operations of the Process Flow Diagram (PFD), show […]
First of all, the Major Hazard Facilities or “Major Hazard Facilities” will be defined, which are facilities that store and/or process substances characterized as dangerous (flammable, toxic, harmful, etc.) with inventories that exceed a certain limit in the case of Europe defined by the Seveso Directive. Additionally, in this type of facilities, in addition to […]
Piping and Instrumentation Diagrams (P&ID’s) can often be confused with Process Flow Diagrams (PFD’s). P&IDs and PFDs generally use the same notation for teams. However, they serve different purposes and provide different information. The purpose of a PFD is to show exactly what a process does during operation, and a P&ID shows all the controllers, […]
It’s very common to have a control valve as the final control element in industrial process plants. Depending on its function, the valve must control flow, temperature, pressure, level, or concentration. Considering that the control loop (composed of the measurement element, the control valve, and the controller) must control the process, this means that the […]
An open recirculating cooling system uses the same water repeatedly to cool process equipment. Heat absorbed from the process must be dissipated to allow reuse of the water. Cooling towers, spray ponds, and evaporative condensers are used for this purpose. Fresh water is being added to cooling water towers to replace water lost through leaks […]
Most of the time, in any industrial process in which raw materials are subjected to processes aimed at their transformation to obtain finished products, a series of questions that engineers will want to answer and / or communicate will arise, for example: What are the raw materials fed to the process, their compositions, and quantities? […]

